Тензодатчик Keli PST
S-образные тензодатчики
S-образный тензодатчик Keli PST хорошо подходит для изготовления подвесных весов (бункерные, крановые), тестовых систем и разрывных машин, а также может применяться при модернизации механических весов. Тензодатчик Keli PSTпредставлен широким модельным рядом с максимальной нагрузкой от 20 кг до 7.5 т и имеет степень защиты IP66 и IP67. Дополнительно датчик может комплектоваться шарнирными подвесами, которые призваны защитить от изломов и позволяют существенно сократить временные затраты на установку и запуск оборудования.
В S-образных тензодатчиках, в отличие от балочных, нагрузка прилагается к двум точкам, которые также являются точками крепления. Тензодатчики такого типа способны работать как на сжатие, так и на растяжение, то есть обеспечивают возможность измерений как при прямой нагрузке, так и при обратном применении силы, благодаря чему они обладают широким спектром применения: от использования в подвесных весах до создания испытательных систем.
Особенности тензодатчика Keli PST:
| Тип датчика | S-образный |
| Материал | Легированная сталь |
| Класс защиты | IP66 (до 1 т), IP67 (от 1.5 т) |
| Нагрузка | от 20 кг до 5 т |
| Длина кабеля | 2.6 м (до 1 т), 3 м (от 1.5 т) |
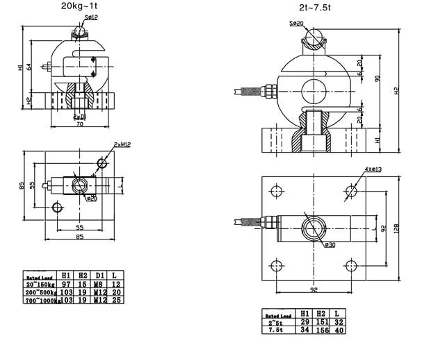
Размеры тензодатчика Keli PST:
Если Вы желаете приобрести s-образный тензодатчик Keli PST по низкой цене с гарантией в Санкт-Петербурге - просто сделайте заказ на нашем сайте или свяжитесь с нашими менеджерами по телефону.
| Класс точности | C3 |
| Максимальная нагрузка, т | 0.02, 0.05,0.075, 0.1, 0.15, 0.2, 0.25, 0.3, 0.5, 0.7, 0.75, 1, 1.5, 2, 3, 5, 7.5 |
| Ползучесть, % от НПВ/30min | ± 0.03 |
| Температурное отклонение нуля, % от НПВ/10°С | ± 0.02 |
| Температурное отклонение сигнала, % от НПВ/10°С | ± 0.02 |
| Предельная нагрузка, % от НПВ | 150% |
| Разрушающая нагрузка, % от НПВ | 200% |
| Выходная чувствительность, мВ/В | 2.0 ± 0.003 |
| Входное сопротивление, Ом | 400 ± 20 |
| Выходное сопротивление, Ом | 352 ± 5 |
| Сопротивление изоляции, МОм | >5000 |
| Рекомендуемое напряжение возбуждения, В | 10-12 (DC) |
| Максимально допустимое напряжение питания, В | 15 (DC) |
| Номинальный диапазон температур, °С | –10 ~ +40 |
| Рабочий диапазон температур, °С | –30 ~ +70 |
| Материал | Легированная сталь |
| Класс пылевлагозащиты | НПВ до 1 т: IP66 НПВ от 1.5 т: IP67 |
АДРЕС МАГАЗИНА:
График работы:

