Мембранный тензодатчик CAS CHE отличается низкопрофильным дизайном, защищенным корпусом с отверстием в центре, высокой точностью и повторяемостью данных и может использоваться при изготовлении специального оборудования, автомобильных, бункерных, вагонных весов, а также дозирующих систем, где использование обычных тензодатчиков невозможно из-за их больших размеров. Длина кабеля - 5 м. Тензодатчик CAS CHE представлен широким модельным рядом с максимальной нагрузкой от 20 до 200 т.
Особенности тензодатчика CAS CHE:
| Тип датчика | Мембранный |
| Нагрузка | от 20 до 200 т |
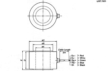
| Длина кабеля | 5 м |
| 4-х проводной кабель с экранирующей оплеткой | Обеспечивает простую и надежную работу оборудования |
| Маленькие габариты | |
| Применяется при недостаточном пространстве | |
| Защищеный корпус | |
| Тензодатчик с отверстием в центре | |
| Высокая повторяемость и достоверность данных | |
| НПВ, т | 10 | 50 | 100 | 150 | 200 | ||||
| Тип | A | A | A | B | A | B | A | ||
| A | 35 | 50 | 75 | 100 | 75 | 125 | |||
| B | 45 | 67 | 99 | 119 | 109 | 148 | 155 | ||
| C | 75 | 100 | 123 | 145 | 135 | 178 | 168 | ||
| D | 69 | 94 | 104 | ||||||
| E | 75 | 100 | 110 | ||||||
Если Вы желаете приобрести мембранный тензодатчик CAS CHE по низкой цене с гарантией в Санкт-Петербурге - просто сделайте заказ на нашем сайте или свяжитесь с нашими менеджерами по телефону.
| Максимальная нагрузка, т | 20, 50, 100, 150, 200 | |
| Общая ошибка, % | ± 1.0 | |
| Повторяемость, % | 0.2 | |
| Ползучесть, % от НПВ/30min | ± 0.03 | |
| Температурное отклонение нуля, % от НПВ/10°С | ± 0.03 | |
| Температурное отклонение сигнала, % от НПВ/10°С | ± 0.03 | |
| Предельная нагрузка, % от НПВ | 150% | |
| Баланс нуля, % от НПВ | ± 0.015 | |
| Выходная чувствительность, мВ/В | 1.5 | |
| Входное сопротивление, Ом | 400 ± 20 | |
| Выходное сопротивление, Ом | 350 ± 3.5 | |
| Сопротивление изоляции, МОм | >2000 | |
| Рекомендуемое напряжение возбуждения, В | 10 (DC) | |
| Максимально допустимое напряжение питания, В | 15 (DC) | |
| Диапазон термокомпенсации, °С | –10 ~ +40 | |
| Рабочий диапазон температур, °С | –20 ~ +80 | |
ООО "Вес Сервер Ком"
АДРЕС МАГАЗИНА:
График работы:


